引言
传统的包装机械多通过复杂的齿轮、联杆传动。存在机械加工复杂、精度要求高,安装调试繁琐,机构耦合误差大,生产周期长等的明显缺点。其控制的速度和精度都受到一定条件的制约。
针对传统机械系统的缺点,采用开放式的运动总线型DVP-10MC运动控制器,使用电子凸轮等先进工艺,保证整机的同步协调工作,实现精确、高速控制。DVP-10MC运动控制器在此方面表现了良好的性能。
2 系统工艺简介
卧式包装机是物料充填与袋子成型沿水平方向进行,由于水平式制袋、充填和封口,各个工位均可以方便地进行调整,并可以针对不同的物料情况作许多复杂的配置变化。

图1 卧式包装机

图2 工艺流程图
卧式包装机的工艺为:从卷筒1拉出的包装材料由导辊2导引,经三角成型器3和U形杆4而折合成U形膜;光电检测装置5对包装材料上印刷的色标拉距进行检测和送进控制,然后由制袋热封装置6对U型折合膜实施热熔封接,封接两侧面完成制袋。牵引送进装置7作间断启停旋转运动将成袋及包装材料牵引送进,每次送一个袋宽的距离,由切断装置8裁切成单个包装袋,然后由袋夹送进装置作夹持送进;在开袋口工位由开袋口装置将袋口吸开,并往袋内喷吹压力空气,使袋口扩开,并由夹持包装袋的夹手保持张开的袋口,以使充填物料顺利充填。当袋子送到充填工位时,通过充填漏斗往包装袋内装入物料,再在整形工位由整形装置对袋中松散物料实施整形处理,使其袋形便于封口操作,且夹袋的夹手向外运动,使袋口处于平直闭合状态,在封口工位完成袋口封接,得到的包装产品从机器后端输出。
3 方案介绍
DVP10MC是台达推出的一款总线型多轴运动控制器,专门用于控制台达A2伺服驱动器。DVP10MC与A2伺服驱动器之间采用CANopen现场总线技术通讯,最高通讯速率达到1M bps。它除了能实现复杂的运动控制以外,还可以实现PLC的逻辑控制,温度控制。DVP10MC通讯接口丰富,提供有Ethernet、CAN (Motion Bus)、RS232、RS485及编码器接口,同时具有与SV相同的左右扩展接口,共享SV所有扩展模块,很适合包装机械的多轴控制。


图3 系统架构
本系统中DVP10MC采用CANMotion控制6轴伺服装置,实现多轴同步控制。两台变频器通过左侧的CANopen主站模块控制,实现速度控制。HMI采用XBTGT系列触摸屏,通过MODBUS/TCP协议与运动控制器通讯;现场温度采用PID控制,温度控制精确。
表1 系统配置

4 控制工艺
夹手装置由三个伺服电机驱动,完成袋子的移送,其电子凸轮曲线如下图示:

图4 夹手装置凸轮曲线
制袋工位由一个伺服电机驱动,其凸轮曲线如图5所示。

图5 热封装置凸轮曲线
拉模装置由两个伺服电机驱动,其凸轮曲线如图6所示。

图6 拉膜装置凸轮曲线
主轴变频器驱动的电机上带一个编码器,在正常运行时,其他轴根据自己所处的位置相应做跟随运动。放膜部分采用张力控制,使放膜辊在放膜过程中,均匀放膜。
拉膜轴通过速度控制进给包装膜,在每送一个袋子时,通过色标作为前一次袋长检测触发信号,直接接入到运动控制器高速信号接口,然后通过外部编码器读取实际膜长,与存储的标准长度进行比较,如果有偏差的话,就在下一包进行调整。
拉膜的宽带通过电子凸轮实现,可以保证到整机的速度一致性,但是凸轮的曲线不能在线修改,但可使用虚轴的功能:即使用MC-VirtualAxis指令构建一个虚拟轴。虚轴是运动控制器内部可以创建的一个假想轴,专门用于位移量叠加计算进行使用,由于是理想轴,所以不会出现任何偏差,并且可以自己定义任何轨迹。这里将虚轴和实轴的凸轮曲线用电子齿轮方式啮合,做同步,运行过程中可以修改电子齿轮的齿轮比,即可达到在线调节凸轮曲线的目的。
在停机时,拉膜装置在完成本次拉送袋子后,立即停止。制袋装置在拉膜装置停止后,也立即停止,并且运动到安全位置,等待下次工作。再次运行前,制袋装置需运行到同步的位置后,开始运行主机。

图7 拉膜装置曲线控制
5 系统通讯
5.1 变频部分
变频器和运动控制器通讯时需要在CANopen Builder软件中导入ATV312的EDS文件。
DVPCOPM-SL模块是运行于DVP10MC左侧的CANopen主站模块,当DVP10MC通过DVPCOPM-SL模块与CANopen网络相连时,DVPCOPM-SL模块负责运动控制器与总线上其它从站的数据交换接口。DVPCOPM-SL模块既可以在总线中做主站,也可以通过设置使其在总线中做从站。模块映像地址:输入:D6000-D6226,输出D6250-D6476。
DVPCOPM-SL在设置地址时,只有在模块断电情况下设置才有效,完成设置后,再将模块上电。如果接线与节点地址均设置正确,模块上面的LED会显示当前站号地址,如果为红色代码闪烁,请检查通讯速率不要太高,或选用标准的CAN电缆。

图8 变频总线图
5.2 伺服部分

图9 伺服总线图
伺服驱动器的参数设置如下:
P1-01=B(伺服驱动器设置为CANOpen模式);
P3-00=2(伺服驱动器的CANOpen站号设置为“2”);
P3-01=403(伺服驱动器在CANOpen中通讯速率设置为1Mbit/s);
P2-15=122(伺服驱动器的逆向极限开关设为常开);
P2-16=123(伺服驱动器的正向极限开关设为常开);
P2-17=121(伺服驱动器的急停开关设为常开)。
其他伺服驱动器的参数设置只有站号设置不同,设置完毕后伺服驱动器须重新上电。DVP10MC遵循CANopen(DSP402)协议,采用同步信号实现多轴同步,多轴系统支持十六个实轴,外加两个虚轴。在网络通讯方面,可支持DeviceNet主从站、CANopen主从站、Profibus-DP从站,可组建功能复杂的控制系统。
5.3 以太网部分
DVP10MC11T提供一个以太网接口,此接口为运动控制模块所有,支持ModbusTCP
协议,PC端软件CANopenBuilder通过此接口可用于下载CANopen运动控制网络配置、运动程序、G代码,监控装置等功能。DVP10MC11T在以太网网络中只能做从,同时可接受最多4个主站的访问。此接口还支持自动跳线功能,当与计算机或交换机连接时,不需要特别作跳线处理。接口上的LED可以显示以太网当前的连接状态,方便用户查询。
DVP10MC11T的以太网参数设置通过CANopenBuilder软件设置。DVP10MC11T支持的Modbus功能码和对应的地址元件如下表所示:
表2 Modbus功能码


施耐得XBTGT5330触摸屏集成有以太网接口,支持ModbusTCP,故可以方面的连接。触摸屏在驱动设置时,需要设置成低字节优先。
6 温度控制
在工程实际中,应用最为广泛的调节器控制规律为比例、积分、微分控制,简称PID控制,又称PID调节。PID控制器问世至今已有近70年历史,它以其结构简单、稳定性好、工作可靠、调整方便而成为工业控制的主要技术之一。本系统中有八通道温度采用PID控制温度,使用DVP04TC-S作为温度数据采集模块,经过PLC程序中的专用温度控制指令,用PLC输出点控制固态继电器动作,实现温度的加热控制。
DVP04TC-S模块是运行与DVP10MC右侧的温度控制模块,具有专用的PID温度自动调整功能,可以实现PID控制参数的自动计算,控制温度精度达到±1度。
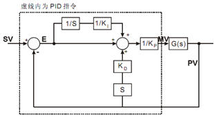
当PID指令的动作方向功能选择为K3或K4 时,其中PID指令内部使用的运算公式是

其中偏差量固定为:E (t) = SV − PV
由于此功能是专为温度控制而设计的功能,因此当取样时间(Ts)设置为4秒(K400)时,则表示输出值(MV)的输出范围为K0~K4,000之间,并且搭配的GPWM指令的周期时间设置值也需设为4秒(K4,000)。

图10 PID指令的动作方向为 K3~K4 的控制方块
图10中的1/KI及1/KP的符号分别表示除以KI及除以KP的功能,由于此控制方块为温度控制专用的PID指令,因此需搭配GPWM指令一起使用。
当使用者在控制温度的环境下不知如何调整各项参数时,可先选择K3这项自动调整功能,等到指令内部调整完毕后(功能选择自动会设置为 K4),使用者可再依控制结果修改成更佳的参数。

图11 PID控制程序
7 结束语
经过现场测试后,系统最大速度可以稳定达到70包/分钟,这套设备成功开发标志着包装机设备已经从简单的半机械化双变频升级到全伺服系统。
全自动包装机采用台达总线型运动控制器,该产品良好的兼容性以及优异的性能使控制变得简易、高效和稳定。电气结构简单和高稳定性为用户创造了价值。